
產品型號: ?50福來輪 W-BS系列
產品名稱:φ50福來輪 W-50DS切削式滾輪流利條
切削式滾輪流利條使用切削滾輪、福來輪、滾筒等,形式多樣。
>>說明
1.滾輪直徑:φ50
2.可以根據客戶要求定做。
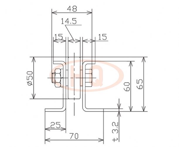
>>示意圖

>>仕様表
(単位 mm)
型 號 | 福來輪尺寸 | 使用軸 |
W-50DS | 50×14.5×12.2×20 | M12 ×40L |
框架尺寸 | 機高 | 全 長 | 福來輪中心距 | 彎道半徑 | 單只福來輪承載(kg) | 參考 |
60×70×25×48×3.2 | 65 | 1,800?2,400 | 75?100 | 1,000 | 100 | 加強支架型 |