
產品型號: RS-3810
產品名稱:?38不銹鋼制自由輸送機
滾筒使用不銹鋼材料,防銹性能好。滾筒承重較大,適用于中重量物品的搬運。
>>說明
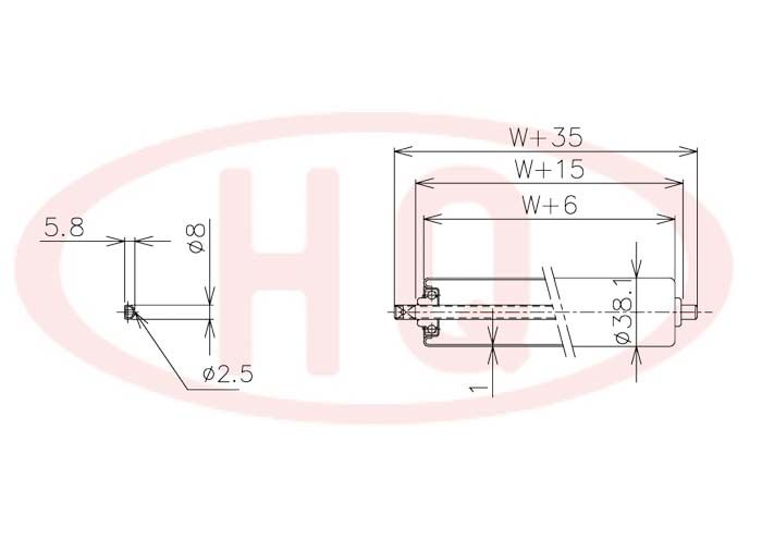
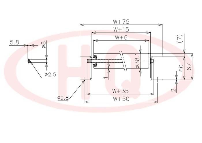
1.滾筒直徑:?38mm(壁厚1.0mm)
2.支架: 60mm槽鋼
3.幅寬: 100mm~600mm
4.承重量: max約90kg
>>仕様表
(単位 mm)
| 滾 筒 幅 寬 W (mm) | 100 | 200 | 300 | 400 | 500 | 600 | ||
| 滾筒承重強度 (kg) | 90 | 90 | 59 | 50 | 38 | 30 | ||
| 輸送機重量 3,000L (kg) | 50P | 24.3 | 32.4 | 40.5 | 48.6 | 56.7 | 64.2 | |
| 75P | 20.0 | 25.5 | 31.1 | 36.6 | 42.2 | 47.1 | ||
| 滾筒(含軸)重量 (g) | 217 | 345 | 473 | 601 | 729 | 857 | ||
| 型 號 | 滾筒外徑(φ)×壁厚(t) 軸承 | 軸外徑(φ)×壁厚(t) 加工 | 支架形狀I×K×t 輸送機高(H) | 機 長 L | 滾筒幅 寬 W | 滾筒間隔 P | 轉彎半徑 R | |||||
| RS-3810 | 38×1.0 SUS304 沖壓軸承 | 8 圓棒 SUS 半圓 | [ 60×30×2 SUS304 67 | 1,000?2,000 3,000 | 100~600 50遞增 | 50?75 100?150 | 900 | |||||
>>示意圖



