
產品型號: R-2812P(沖壓軸承)
R-2812 (切削軸承)
產品名稱:?28鋼制滾筒自由輸送機
小直徑滾筒輸送機。適合于搬運輕、小物品的場合。
>>說明
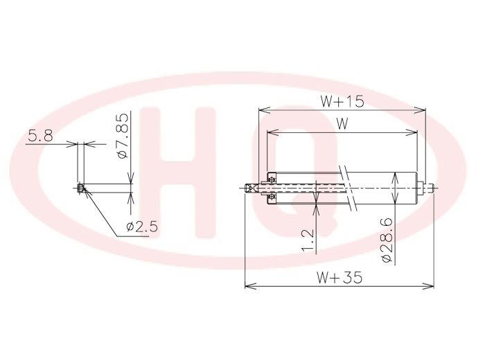
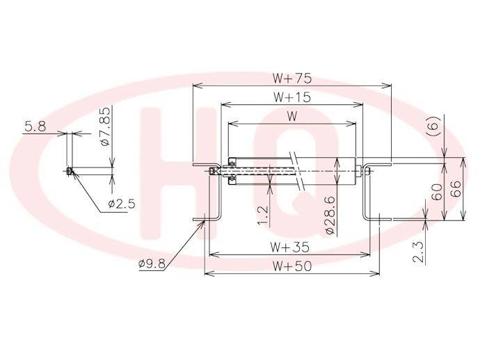
1.滾筒直徑:?28mm
2.支架: 60mm槽鋼
3.幅寬: 100mm~500mm
4.承重量: max約120kg
>>仕樣表
(單位:mm)
| 滾 筒 幅 寬 W (mm) | 100 | 200 | 300 | 400 | 500 | |
| 輸送機幅寬 W+75 (mm) | 175 | 275 | 375 | 475 | 575 | |
| 滾筒承重強度 (kg) | 63 | 54 | 35 | 30 | 21 | |
| 輸送機重量 3,000L (kg) | 25P | 25.8 | 34.1 | 42.3 | 50.5 | 58.8 |
| 30P | 23.6 | 30.6 | 37.5 | 44.4 | 51.4 | |
| 滾筒(含軸)重量(g) | 110 | 175 | 240 | 305 | 370 | |
>>示意圖




