產品型號: HQ HG-R1210A
>>說明
產品名稱:?12鋼制滾筒自由輸送機
小直徑滾筒輸送機,適合于搬運輕、小物品的場合。
小直徑滾筒輸送機,適合于搬運輕、小物品的場合。
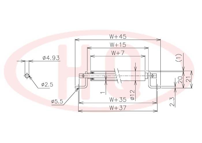
滾筒直徑:?12mm
支架: 20mm角鋼
幅寬: 100mm~400mm
承重量: max約45kg
>>仕樣表
| 滾 筒 幅 寬 W (mm) | 100 | 200 | 300 | 400 | |
| 輸送機幅寬 W+45 (mm) | 145 | 245 | 345 | 445 | |
| 滾筒承重強度 (kg) | 41 | 35 | 22 | 19 | |
| 輸送機重量 1,000L (kg) | 15P | 4.6 | 7.4 | 10.2 | 13.0 |
| 20P | 3.8 | 5.9 | 8.0 | 10.1 | |
| 滾筒(含軸)重量 (g) | 30 | 53 | 76 | 99 | |


