


產品型號: JR-5028
產品名稱:?50樹脂制自由輸送機
滾筒和軸承均使用樹脂成形材料,自重輕,防銹性能好,轉動平穩。適用于有特殊要求的場合。
>>說明
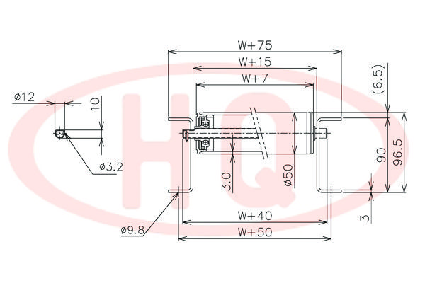
1.滾筒直徑:?50mm(壁厚2.8mm)
2.支架: 90mm槽型鋁材
3.幅寬: 100mm~1000mm
4.滾筒承重量: max約32kg
5.彈簧軸: ?10mm
>>仕様表
(単位 mm)
| 滾 筒 幅 寬 W (mm) | 100 | 200 | 300 | 400 | 500 | 600 | ||
| 滾筒承重強度 (kg) | 32 | 31 | 30 | 29.5 | 28.5 | 27.7 | ||
| 輸送機重量 3,000L (kg) | 75P | 13.4 | 17.6 | 21.9 | 26.1 | 30.4 | 34.0 | |
| 100P | 11.9 | 15.2 | 18.5 | 21.8 | 25.1 | 27.7 | ||
| 滾筒(含軸)重量 (g) | 147 | 242 | 338 | 434 | 529 | 625 | ||
| 型 號 | 滾筒外徑(φ)×壁厚(t) 軸承 | 軸外徑(φ)×壁厚(t) 加工 | 支架形狀I×K×t | 機 長 L | 滾筒幅寬 W | 滾筒間距 P | 轉彎半徑 R | |||||
| JR-5028 | 50×2.8 硬質氯乙烯橡膠 樹脂成形軸承 | (8,10)12×1.0管 SUS 半圓 | [ 90×30×3 氧化鋁 96.5 | 1000?1,500 2,000?3,000 | 100~600 任意尺寸 | 75?100 150?200 | 900 | |||||
>>示意圖




